1
/
of
3
VSATplus
NJT8315L - Lower Ku-band 2W BUC
NJT8315L - Lower Ku-band 2W BUC
Sale
Sold out
Couldn't load pickup availability
NJRC NJT8315L - Lower Ku-band 2W BUC
Features
Frequency Organization
- RF Frequency: 12.75 to 13.25 GHz
- IF Frequency: 950 to 1,450 MHz
- LO Frequency: 11.8 GHz
High Efficiency & Low Distortion Output Power
- P1dB: +33 dBm min. over temperature
- ACPR: -26 dBc @ Pout = +32 dBm
- Power Consumption: 18 W
Small Size & Light Weight
- Weight: 350 g
Others
- RoHS Compliance
Series Line-up
Model No. | RF Frequency | Output Power | IF Connector |
NJT8315LN | 12.75 to 13.25 GHz | +33 dBm min. @ P1dB (2W) | N-type (50Ω) |
---|---|---|---|
NJT8315LF | F-type (75Ω) |
Items | Parameters | ||
---|---|---|---|
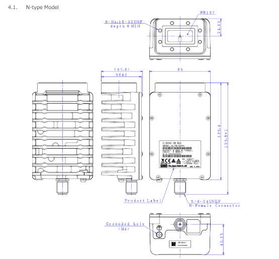
RF Output Interface | Waveguide, WR75 (with Groove) | ||
IF Input Interface | Coax. Connector, N-type Female (50 Ω) Coax. Connector, F-type Female (75 Ω) |
||
RF Frequency | 12.75 to 13.25 GHz | ||
IF Frequency | 950 to 1,450 MHz | ||
LO Frequency | 11.8 GHz | ||
P1dB Output Power | +33 dBm min. over temperature (@ 1dB G.C.P.) | ||
ACPR | -26 dBc max. @ Pout = +32 dBm | ||
Linear Gain | 59 dB nom., 53 dB min. | ||
Input Power Voltage Requirement | +24 VDC (+12 to +30 VDC) | ||
Power Consumption @ P1dB | 18 W typ., 22 W max. | ||
Operating Temperature Range | -40 to +60 ℃ | ||
Waterproof / Dustproof (IP-code) | IP67 | ||
Weight | 350 g | ||
Dimensions | (L) 91.55 x (W) 68 x (H) 42.5 mm (w/o Interfaces & Screws) |
Share


